Коробка отбора мощности КАМАЗ и другие
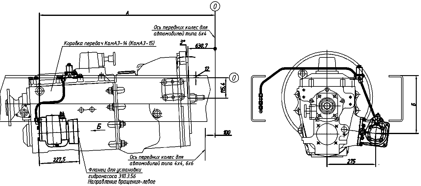
Коробка отбора мощности КамАЗ 18001P для КПП КАМАЗ 14,15
Крутящий момент 300Нм, мощность при 1000 об/мин 48/35 л.с./кВт
Коробка отбора мощности КамАЗ 18001P2 для КПП КАМАЗ 14,15
КОМ UNI/UNI. Два выхода. Применяется для установки на КПП 14, 15.
Коробка отбора мощности КамАЗ 18029P на КПП КАМАЗ 14,15
Аналог МП-29 КОМ 18029Р. Применяется для установки на КПП 14, 15.
Коробка отбора мощности КамАЗ 18002P на КПП КАМАЗ 14,15
Применяется для установки на КПП 14, 15. ISO 7653 (UNI).
Коробка отбора мощности HM2K6XPAK UNI (два выхода)
Применяется для установки на КПП КАМАЗ 14,15. Возможно подключение двух насосов одновременно.
KOM 19058/15P аналог МП58 для КПП ЯМЗ 236,238
Аналог МП-58/15. Применяется для установки на КПП УРАЛ, КРАЗ, МАЗ, ЯМЗ.
Коробку отбора мощности (КОМ) КАМАЗ – купить в Москве с доставкой по России
Компания «ГИДРОЗИП» предлагает коробки отбора мощности отечественных и зарубежных производителей для автомобилей КАМАЗ, МАЗ, ЯМЗ, УРАЛ по выгодным ценам.
Возможна доставка по Москве, Московской области и по всем городам России, а также в Казахстан, Киргизию, Белоруссию и др.
Что такое Коробка Отбора Мощности (КОМ)?
КОМ (Коробка Отбора Мощности) – это гидравлический механизм, преобразующий энергию двигателя (через давление масла) во вращательное движение для привода дополнительного оборудования (например, гидронасоса). КОМ обеспечивает экономичность и эргономичность работы гидросистем спецтехники.
КОМ внедряются в гидросистемы современных многофункциональных спецмашин, основой которых являются надёжные шасси КАМАЗ. Устройства КОМ имеют оригинальную схему, состоящую из:
- ведомой шестерни
- колец
- компенсатора
- корпуса пневматического цилиндра
- подшипника
- насоса НШ
- промежуточной шестерни и её оси
- поршня
- манжет
- кольца, предназначенного для упора
- шайбы
- полумуфты
- шайбы для застопоривания
- прокладок
-
пружины
Наши КОМ и комплектующие
Мы поставляем оригинальные коробки отбора мощности и комплектующие ведущих брендов:
- HM2K6XTAKIKM ISO (Испания)
-
UNI-ISO (Италия)
Применение КОМ на КАМАЗ и других грузовых автомобилях:
- МАЗ 236, 238, 239 и др.
- КАМАЗ: модели 4310, 43118, 5320, 5337, 5511, 65115, 14, 15
Все устройства соответствуют международным стандартам и техническим требованиям РФ, устанавливаются на следующие КПП. Используются в гидросистемах дорожно-строительной техники, коммунальных машин, кранов, буровых установок на шасси КАМАЗ.
5 причин купить КОМ в ГИДРОЗИП
- Гарантия качества: вся продукция сертифицирована
- Полный сервис: гарантийное и послегарантийное обслуживани
- Доступные цены на брендовые КОМ и запчасти.
- Наличие на складе в Москве: коробки отбора мощности, комплектующие, расходники.
- Профессиональная консультация. Консультация в подборе, установке, эксплуатации, ремонте.
Как подобрать и заказать КОМ в ГИДРОЗИП
Приобрести качественные товары с доставкой по РФ просто:
- Звоните бесплатно из регионов тел.: 8-800-250-12-44
- Зоните по Москве тел.: +7 (495) 920-05-35.
Закажите обратный звонок через наш чат на сайте – специалист перезвонит в удобное время.
ФОТО КОМ КАМАЗ В РАЗРЕЗЕ:

![]() |
Коробка отбора мощности МАЗ

Коробка отбора мощности МАЗ

КОМ производства OMFB (Италия). Высокое качество по цене Российских производителй.

МП07-4202010-50 (Правый боковой люк коробки передач)

МП50-4202010 (Правый боковой люк КП)

МП58-4202010-10 (Правый боковой люк КП)
Товар можно получить в любом городе РОССИИ, в том числе: Москва, Одинцово, Апрелевка, Переделкино, Солнцево, Первомайское, Птичное, Наро-Фоминск, Кубинка, Московский, Видное, Домодедово, Троицк, Подольск, Климовск, Чехов, Звенигород, Крсногорск а также по шоссе Калужское, Киевское, Можайское, Боровское, Юго-западная, СЗАО, ЮЗАО, ЮВАО, ЮАО.
Узнать цену на

