Акция!
Акция
ММ110
Манипулятор ММ110
2 090 000 ₽
2 390 000 ₽
↓
Цена
снижена
Подробно
ММ100
Манипулятор ММ100
1 990 000 ₽
2 190 000 ₽
↓
Цена
снижена
Подробно
!
Количество ограничено
!
Акция!
Акция
ММ110
Манипулятор ММ110
2 090 000 ₽
2 390 000 ₽
↓
Цена
снижена
Подробно
!
Количество ограничено
!
ММ100
Манипулятор ММ100
1 990 000 ₽
2 190 000 ₽
↓
Цена
снижена
Подробно

8 800 250 12 44,

8 495 988 92 54

 

Доставка

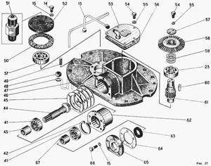
Ремонт редукторов поворота, лебедки
Ремонт редукторов поворота, лебедки

Починка редукторов поворота, лебедки предполагает множество видов работ по ремонту и замене элементов, которые вышли из строя. При необходимости производится монтаж, демонтаж лент тормоза грузовой лебедки, его сборка, разборка, замена масла. Для починки редуктора поворота также осуществляется монтаж и демонтаж тормоза механизма поворота в сборе, его ремонт, замена выходной шестерни, масла, вала карданного привода гидронасоса, изменение его длины.